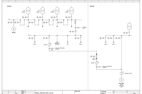
Electrical drawings

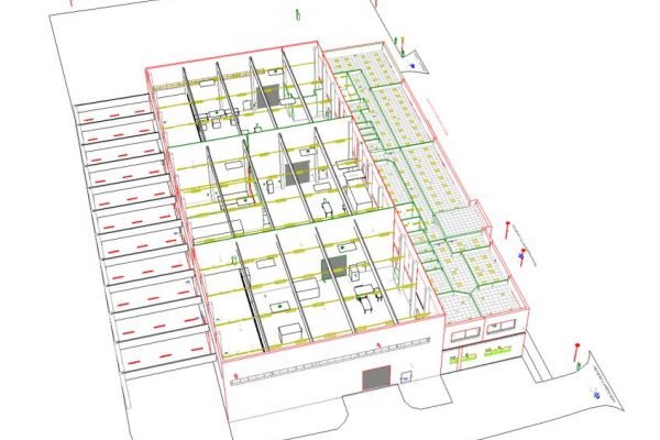
Drawing creation 2D and 3D

DDS-CAD Electrical Engineering Professional allows me Constructing wiring diagrams, designing control cabinets, creating circuit diagrams, calculating lighting systems, designing fire detection systems and designing safety engineering in detail.

A major advantage of this engineering tool is the automatic creation of e.g. test logs, order lists, cable lists, line diagrams and wiring diagrams directly from the electrical installation drawing.

If you want, I can also create your project on the basis of the architect's drawing in 3D. Then I can present the planning of the electrical engineering in a virtual inspection through your object before the start of construction.

Copyright © Jan Frederik Kaufmann